北京众平科技股份有限公司
4年
| 黄婷 联系客服 | |
| 010-64225983 13522565663 | |
gbsbjzp
![]() |
|
| 北京 北京市 朝阳区 东土城路4号3幢4层401 |
商铺公告
商品分类
商品推荐
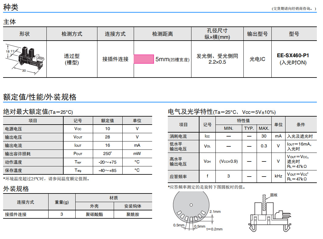
■ 特征
微型光电传感器透过型
凹槽嵌入安装型
(槽宽:5mm)
• 支持大范围的电路板厚度和金属板厚度(t=0.8mm~1.6mm)
• 无需固定螺钉的嵌入式安装结构,支持Tyco Electronics生产的通用EI接插
件,提高维护性
• 光电IC输出(入光时ON)
• 可直接连接 C-MOS
◆产品参数

更新时间:2023-12-13 14:23
——— 温馨提示 ———
购买商品请先切换为买家状态
或登录义乌购APP扫二维码购买