北京众平科技股份有限公司
4年
| 黄婷 联系客服 | |
| 010-64225983 13522565663 | |
gbsbjzp
![]() |
|
| 北京 北京市 朝阳区 东土城路4号3幢4层401 |
商铺公告
商品分类
商品推荐
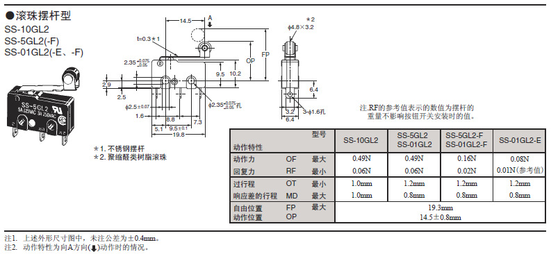
SS 超小型基本开关
超高安全而又可靠的超小型基本开关
●备有0.1A~10.1A型的各个品种,产品规格齐全,是欧姆龙畅销的开关。
●动作力规格满足从低负载动作到高负载动作的各种用途,品种丰富。
●采用简单稳定的分割2片弹簧,实现了3,000万次的长寿命。
◆产品参数


更新时间:2023-12-14 13:55
——— 温馨提示 ———
购买商品请先切换为买家状态
或登录义乌购APP扫二维码购买